
DC-650V3C
650 tons is applicable for V3C series
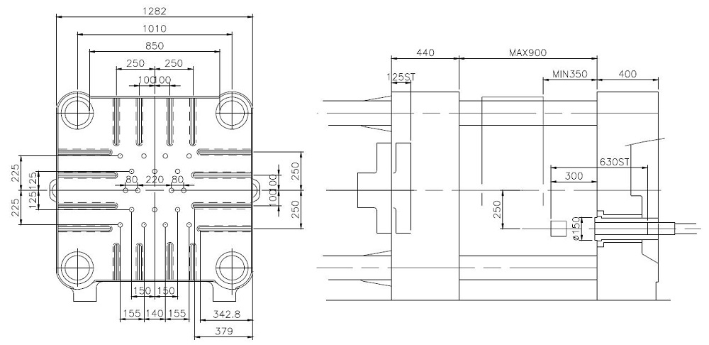
- Clamping force 650 tons
- Distance between tie-bar 850 x 850 mm
- Max injecting weight 7.68 kg
- Die height 350 – 900 mm
| ITEM | UNIT | VALUE | ||||
|---|---|---|---|---|---|---|
| Basic | Control Unit Shot Unit Multi-stage Injection | PLC + MMI 4 Phases Optional | ||||
| CLAMPING MECHANISM | Clamping Force Die Platen Tie-bar Distance Die Stroke Die Height | ton mm mm mm mm | 650 1280 x 1280 850 x 850 660 350 – 900 | |||
| INJECTION MECHANISM | Injection Force Intensifying Rate Injection Stroke Plunger Tie Penetration Shot Position Injection Pressure Max Injection Velocity (up) Available Plunger Diameter | ton mm mm kg/cm² m/s mm | 54.5 2.55 630 300 -250 110 – 140 7 Ø70 / Ø80 / Ø90 | |||
| EJECTING MECHANISM | Ejecting Force Ejecting Stroke | ton mm | 31 125 | |||
| CORE SYSTEM | Core no.1 Outlet Core no.2 Outlet Core no.3 Outlet | pt pt pt | 3/4″ x 2 3/4″ x 2 (Optional) X | |||
| CASTING CAPACITY | Plunger Diameter Injection Pressure Casting Area Injecting Volume Injecting Weight | mm kg/cm² cm² cm³ kgs | Ø70 707 – 1416 459 – 919 1788 4.64 | Ø80 541 – 1084 599 – 1201 2336 6.07 | Ø90 427 – 857 775 – 1522 2956 7.68 | |
| COOLER | Water Inlet Water Outlet Hydraulic Cooler In Hydraulic Cooler Out Die Water Valve (fix) Die Water Valve (mov) Hydraulic Cooler Flow Die Cooler Flow | Rc PT Rc PT Rc PT Rc PT L/min L/min | 1-1/4″ 2-1/2″ 1″ 1″ 3/8″ x 11 3/8″ x 15 80 50 – 90 | |||
| MOTOR | Motor Power Source | kw V | 37.5 AC220/380 | |||
| MACHINE DIMENSIONS | Size (L x W x H) Weight Hydraulic Oil | mm ton L | 7500 x 2600 x 2780 25 1200 |
Die Platen
